Запасные части ЧТЗ Запасные части ЧТЗ
Балашиха
Например:
Актобе
Алдан
или
Выбрать автоматически
Актобе
Алдан
Алматы
Алчевск
Архангельск
Астана
Астрахань
Атырау
Баку
Балашиха
Барнаул
Белгород
Бердянск
Бишкек
Владивосток
Владикавказ
Воркута
Воронеж
Горловка
Грозный
Донецк
Екатеринбург
Иваново
Ижевск
Иркутск
Казань
Калининград
Каменск-Уральский
Караганда
Каховка
Кемерово
Киров
Комсомольск-на-Амуре
Костанай
Краснодар
Красноярск
Красный луч
Ленск
Луганск
Магадан
Магнитогорск
Макеевка
Махачкала
Мелитополь
Минск
Мирный (Якутия)
Москва
Мурманск
Нерюнгри
Нижневартовск
Нижний Новгород
Нижний Тагил
Новая каховка
Новокузнецк
Новосибирск
Новый Уренгой
Норильск
Ноябрьск
Нур-Султан
Омск
Оренбург
Ош
Павлодар
Пермь
Петрозаводск
Петропавловск
Петропавловск-Камчатский
Псков
Ростов-на-Дону
Салехард
Самара
Санкт-Петербург
Саратов
Севастополь
Семей
Симферополь
Сочи
Ставрополь
Сургут
Сыктывкар
Тараз
Ташкент
Токмак
Томск
Тында
Тюмень
Ульяновск
Усинск
Усть-Каменогорск
Уфа
Хабаровск
Ханты-Мансийск
Херсон
Челябинск
Чита
Шымкент
Экибастуз
Энергодар
Южно-Сахалинск
Якутск
Ваш город
Балашиха
Войти
Запасные части к тракторам на одном сайте
+7 (932) 303-00-10
+7 (932) 303-00-10
г. Балашиха, Объездное шоссе, вл4А
Пн-Пт: 9:30-18:30 Cб-Вс: Выходной
Отправить заявку


Ремонт тормозной ленты и управления тормозами Т-170 Б-170 трактора в Балашихе


/
с НДС 20%
Описание

Снятие тормозной ленты Т-170

Снимите топливный бак, правую переднюю и заднюю панели пола, крышки верхних и задних люков корпуса бортовых фрикционов.

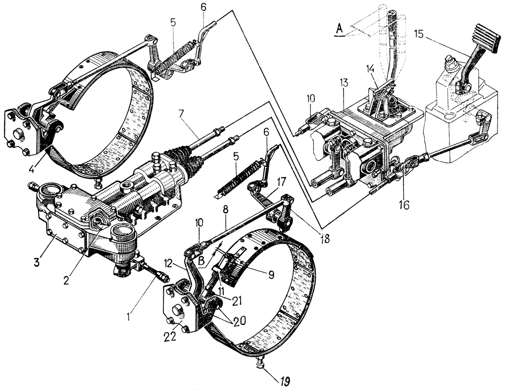
Тормоза и механизм управления тормозами

Рис. 219. Тормоза и механизм управления тормозами

Отсоедините тягу 8 ( рис. 219 ) от двуплечих 12 и внутренних 18 рычагов тормоза, отверните регулировочную гайку 9 с вилки 21 тормозной ленты 4 и снимите двуплечий рычаг 12 с валиками с кронштейна 22. Разъедините двуплечий рычаг 12, тормозную ленту 4 и вилку 21, вынув валики 20. Отверните с внутренней стороны корпуса бортовых фрикционов болты крепления кронштейна тормозных рычагов и снимите кронштейн 22. Выверните из днища корпуса бортовых фрикционов регулировочный болт 19. Оттяните за верхний конец тормозную ленту немного назад (по ходу трактора).

Лента тормозная

Рис. 220. Лента тормозная

Отверните гайки 3 ( рис. 220 ), соединяющие верхнюю часть тормозной ленты 5 с нижней ее частью 1, и снимите верхнюю часть тормозной ленты с барабана бортового фрикциона. Поверните нижнюю часть ленты вокруг барабана и вытяните ее из корпуса бортовых фрикционов сзади барабана. Отсоедините тормозную пружину 5 ( см. рис. 219 ) и наружную тормозную тягу 6 от рычага 17.

Рычаги тормоза

Рис. 221. Рычаги тормоза

Отверните болт 11 ( рис. 221 ) наружного рычага 8 и снимите его с валика 4. Выбейте из наружного конца валика шпонку 9. Отверните болт внутреннего рычага 2 и сдвиньте рычаг по валику со шпонки. Выбейте внутреннюю шпонку 6 из валика. Выбейте валик 4 вместе с заглушкой 3 наружу корпуса бортовых фрикционов. Снимите рычаг 2 и кольцо 7. Снимайте тормозной рычаг 2 и валик 4 после разъединения гусеницы или приподнимите гусеницу.

Замена накладок Т-170

Снимите тормознуло ленту с наружного барабана бортового фрикциона. Срубите заклепки 8 ( см. рис. 220 ), прикрепляющие накладки 2, 6 и 7 к нижней и верхней частям тормозных лент. Установите болты 4, уложите на верхнюю и нижнюю части тормозной ленты новые накладки 2, 6 и 7 и приклепайте их к ленте трубчатыми заклепками 8.

Головки заклепок ленты тормоза не должны иметь неполной расклепки и большого смещения. Допускаются надрывы на головках заклепок в количестве не более шести штук на всей ленте. Допускаются местные зазоры между накладкой и лентой вне зоны заклепок, не более 0,4 мм на дуге 30° на глубине не более 20 мм от края ленты, в количестве не более четырех на каждой накладке. Соедините нижнюю и верхнюю части ленты, наложив верхнюю часть 5 на выступающие болты 4 нижней части 1, и наверните на болты гайки 3 с шайбами. Проверьте прилегание ленты к поверхности барабана с наружным диаметром (428±0,5) мм в такой последовательности:

  1. установите ленту на барабан и зафиксируйте отверстие D по размерам С=(308±0.,5) мм и Е — (106±0,5) мм. Радиальный ,зазор между лентой и барабаном должен быть 0,5...2 мм;
  2. оттяните ленту на барабане усилием 100 Н (10 кгс) и проверьте ее прилегание к барабану. Допускается не более четырех участков неполного прилегания ленты. Зазор между накладками ленты и. барабаном 2,5 мм. Глубина участка не более 2,5 мм. Длина участка на дуге не более 60°.

Допускается не более двух участков со сквозным зазором не более 2 мм на длине дуги не более 50°. При установке тормозной ленты на контрольную плиту допускается неперпендикулярность образующих поверхностей А и Б тормозной ленты к плите не более 1 мм. Выступание накладок за торцы ленты допускается не более 2,0 мм.

Установка тормозной ленты Т-170

Отсоедините верхнюю часть 5 тормозной ленты от нижней 1, отвернув гайки 3. Заложите нижнюю часть тормозной ленты передним концом между барабаном, и задней стенкой корпуса бортовых фрикционов и заведите тормозную ленту на барабан бортового фрикциона до выхода переднего конца наверх. Наложите на барабан сверху верхнюю часть тормозной ленты и соедините ее с нижней частью при помощи выступающих болтов и гаек 3 с шайбами.

Установите на заднюю стенку корпуса бортовых фрикционов, с внутренней стороны, кронштейн 22 ( см. рис. 219 ), закрепив его болтами с пружинными шайбами. Для устранения перекосов допускается установка под кронштейны одной прокладки. Присоедините к двуплечему рычагу 12 вилку 21 и нижнюю часть тормозной ленты 4 с помощью валиков 20. Между концами валиков, крепящих вилки, и кронштейнами устанавливайте шайбы. Заведите двуплечий рычаг в сборе с тормозной лентой и вилкой в кронштейн 22. Вставь-те свободный конец вилки 21 в упор 11 верхней части тормозной ленты и наверните на вилку регулировочную гайку 9. Для получения требуемой величины хода рычагов тормоза, гайку 9 заверните до полного облегания барабанов тормозными лентами, а затем отверните на 10...13 оборотов. Вверните в днище корпуса бортовых фрикционов до упора в ленту и барабан регулировочный болт 19 в сборе с гайкой, после чего болт отверните на 1...1,5 оборота и законтрите гайкой.

Проверьте регулирование и зазор между тормозной лентой и барабаном бортового фрикциона. При положении двуплечего рычага, соответствующем полному отключению тормоза, верхняя ветвь собственной упругостью должна быть отжата от барабана до упора сферы гайки в гнездо упора. Касание тормозных лент о поверхность барабана допускается на дуге не более 20°, зазор В между регулировочной гайкой и упором должен быть не более 2 мм.

Запрессуйте в отверстия корпуса 1 ( см, рис. 221 ); бортовых фрикционов втулки 5 и 10. Соберите рычаги 2 и 8 с болтами, гайками и шайбами. Вставьте с наружной стороны корпуса бортовых фрикционов в отверстия валик 4, наденьте на него рычаг 2 и шайбу 7. Проверьте легкость вращения валиков. Установите на валик внутреннюю шпонку б и посадите на шпонку внутренний рычаг 2 и закрепите болтом с гайкой и шайбой. Установите с наружной стороны валика 4 шпонку 9 и наденьте на валик наружный рычаг 8 и закрепите болтом. Осевой люфт валика 4 после закрепления на нем рычагов должен быть не более 1 мм. Запрессуйте заглушку 3. Отрегулируйте длину тяги 8 ( см. рис. 219 ) вилкой 10 так, чтобы зазор между головкой наружных рычагов 17 тормоза и корпусом бортовых фрикционов при крайнем заднем положении двуплечего рычага 12 был 0...2 мм. Регулируйте до присоединения тяг 6. При указанном положении наружных рычагов 17 соедините тягами 6 наружные рычаги 17 с рычагами 16 механизма управления поворотом, когда последние находятся в крайнем заднем положении. Соедините двуплечий рычаг 12 с внутренним рычагом отрегулированной тягой 8. Присоедините к наружному рычагу 17 тягу 6 с пружиной 5. Отрегулируйте положение педали 15 тормоза. При полном выключении тормоза педаль должна быть расположена под углом (60±5)° к горизонтали. Регулирование тормозов должно обеспечивать полную затяжку ленты тормоза (ведущее колесо должно резко останавливаться) при ходе на себя рычага 14 управления поворотом со стороны выключенного бортового фрикциона. Пружина 5 должна полностью и безотказно возвращать систему приводов и тормозные ленты в положение полного отключения тормоза.

Смажьте привалочные места крышек люков корпуса бортовых фрикционов лаком «Герметик» н установите крышки с прокладками. Установите панели пола и топливный бак.

Ремонт тормозной ленты и управления тормозами