Запасные части ЧТЗ Запасные части ЧТЗ
Балашиха
Например:
Актобе
Алдан
или
Выбрать автоматически
Актобе
Алдан
Алматы
Алчевск
Архангельск
Астана
Астрахань
Атырау
Баку
Балашиха
Барнаул
Белгород
Бердянск
Бишкек
Владивосток
Владикавказ
Воркута
Воронеж
Горловка
Грозный
Донецк
Екатеринбург
Иваново
Ижевск
Иркутск
Казань
Калининград
Каменск-Уральский
Караганда
Каховка
Кемерово
Киров
Комсомольск-на-Амуре
Костанай
Краснодар
Красноярск
Красный луч
Ленск
Луганск
Магадан
Магнитогорск
Макеевка
Махачкала
Мелитополь
Минск
Мирный (Якутия)
Москва
Мурманск
Нерюнгри
Нижневартовск
Нижний Новгород
Нижний Тагил
Новая каховка
Новокузнецк
Новосибирск
Новый Уренгой
Норильск
Ноябрьск
Нур-Султан
Омск
Оренбург
Ош
Павлодар
Пермь
Петрозаводск
Петропавловск
Петропавловск-Камчатский
Псков
Ростов-на-Дону
Салехард
Самара
Санкт-Петербург
Саратов
Севастополь
Семей
Симферополь
Сочи
Ставрополь
Сургут
Сыктывкар
Тараз
Ташкент
Токмак
Томск
Тында
Тюмень
Ульяновск
Усинск
Усть-Каменогорск
Уфа
Хабаровск
Ханты-Мансийск
Херсон
Челябинск
Чита
Шымкент
Экибастуз
Энергодар
Южно-Сахалинск
Якутск
Ваш город
Балашиха
Войти
Запасные части к тракторам на одном сайте
+7 (932) 303-00-10
+7 (932) 303-00-10
г. Балашиха, Объездное шоссе, вл4А
Пн-Пт: 9:30-18:30 Cб-Вс: Выходной
Отправить заявку


Подтяжка гаек крепления коллектора


/
с НДС 20%
Описание
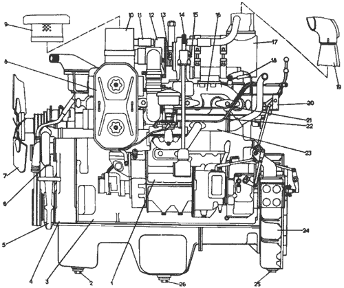
  1. Снять воздухоочиститель 8 (см. рис. 1) с дизеля.
  2. Подтянуть гайки крепления коллекторов 16 и 23.
  3. Проверить исправность рукавов между турбокомпрессором 12, воздухоочистителем 8 и патрубками.
  4. Установить воздухоочиститель на место.
При сборке обратить внимание на герметичность в соединениях рукавов.
Подтяжка гаек крепления коллектора