Запасные части ЧТЗ Запасные части ЧТЗ
Балашиха
Например:
Актобе
Алдан
или
Выбрать автоматически
Актобе
Алдан
Алматы
Алчевск
Архангельск
Астана
Астрахань
Атырау
Баку
Балашиха
Барнаул
Белгород
Бердянск
Бишкек
Владивосток
Владикавказ
Воркута
Воронеж
Горловка
Грозный
Донецк
Екатеринбург
Иваново
Ижевск
Иркутск
Казань
Калининград
Каменск-Уральский
Караганда
Каховка
Кемерово
Киров
Комсомольск-на-Амуре
Костанай
Краснодар
Красноярск
Красный луч
Ленск
Луганск
Магадан
Магнитогорск
Макеевка
Махачкала
Мелитополь
Минск
Мирный (Якутия)
Москва
Мурманск
Нерюнгри
Нижневартовск
Нижний Новгород
Нижний Тагил
Новая каховка
Новокузнецк
Новосибирск
Новый Уренгой
Норильск
Ноябрьск
Нур-Султан
Омск
Оренбург
Ош
Павлодар
Пермь
Петрозаводск
Петропавловск
Петропавловск-Камчатский
Псков
Ростов-на-Дону
Салехард
Самара
Санкт-Петербург
Саратов
Севастополь
Семей
Симферополь
Сочи
Ставрополь
Сургут
Сыктывкар
Тараз
Ташкент
Токмак
Томск
Тында
Тюмень
Ульяновск
Усинск
Усть-Каменогорск
Уфа
Хабаровск
Ханты-Мансийск
Херсон
Челябинск
Чита
Шымкент
Экибастуз
Энергодар
Южно-Сахалинск
Якутск
Ваш город
Балашиха
Войти
Запасные части к тракторам на одном сайте
+7 (932) 303-00-10
+7 (932) 303-00-10
г. Балашиха, Объездное шоссе, вл4А
Пн-Пт: 9:30-18:30 Cб-Вс: Выходной
Отправить заявку


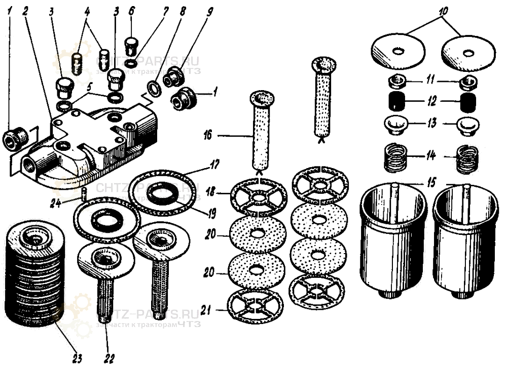
Фильтр топливный на В-46-6


/
с НДС 20%
Описание
Фильтр топливный на В-46-6
# Номер запчасти Наименование детали Кол-во в сборке Вес, кг
Сб.3329-00-11 Фильтр топливный 1 4,832
Сб.329-61 Пакет 2 0,236
Сб.3329-01-11 Крышка фильтра 1 1,428
1 327-24-1 Штуцер 2 0,046
2 3329-09-5 Крышка фильтра 1 1,2
3 329-29 Гайка стягивающая 2 0,045
4 3329-52Б Шпилька 4 0,023
5 329-30 Прокладка 2 0,0029
6 329-50-1 Заглушка 1 0,02
7 355-06 Кольцо 12х16 1 0,06
8 355-08 Кольцо 18х24 1 0,14
9 301-106-1 Втулка 1 0,025
10 329-36-3A Пластина нажимная 2 0,031
11 329-38-1 Гайка 1 0,016
12 329-23-1 Кольцо 2 0,0018
13 329-22-1 Тарелка сальника 2 0,0036
14 329-33-2 Пружина 2 0,04
15 Сб.329-08-06 Стакан фильтра 2 1,086
16 Сб.329-07-02 Чехол фильтра 2 0,067
17 329-28-2 Прокладка 2 0,008
18 329-37 Проставка входная 10 0,005
19 329-27-2 Кольцо 2 0,0014
20 329-26-2 Пластина фильтра 38 0,0037
21 329-34-1 Проставка выходная 18 0,005
22 Сб.329-02-03 Сетка фильтра 2 0,092
23 Сб.329-05-04 Элемент фильтрующий 2 0,45
Фильтр топливный