Запасные части ЧТЗ Запасные части ЧТЗ
Балашиха
Например:
Актобе
Алдан
или
Выбрать автоматически
Актобе
Алдан
Алматы
Алчевск
Архангельск
Астана
Астрахань
Атырау
Баку
Балашиха
Барнаул
Белгород
Бердянск
Бишкек
Владивосток
Владикавказ
Воркута
Воронеж
Горловка
Грозный
Донецк
Екатеринбург
Иваново
Ижевск
Иркутск
Казань
Калининград
Каменск-Уральский
Караганда
Каховка
Кемерово
Киров
Комсомольск-на-Амуре
Костанай
Краснодар
Красноярск
Красный луч
Ленск
Луганск
Магадан
Магнитогорск
Макеевка
Махачкала
Мелитополь
Минск
Мирный (Якутия)
Москва
Мурманск
Нерюнгри
Нижневартовск
Нижний Новгород
Нижний Тагил
Новая каховка
Новокузнецк
Новосибирск
Новый Уренгой
Норильск
Ноябрьск
Нур-Султан
Омск
Оренбург
Ош
Павлодар
Пермь
Петрозаводск
Петропавловск
Петропавловск-Камчатский
Псков
Ростов-на-Дону
Салехард
Самара
Санкт-Петербург
Саратов
Севастополь
Семей
Симферополь
Сочи
Ставрополь
Сургут
Сыктывкар
Тараз
Ташкент
Токмак
Томск
Тында
Тюмень
Ульяновск
Усинск
Усть-Каменогорск
Уфа
Хабаровск
Ханты-Мансийск
Херсон
Челябинск
Чита
Шымкент
Экибастуз
Энергодар
Южно-Сахалинск
Якутск
Ваш город
Балашиха
Войти
Запасные части к тракторам на одном сайте
+7 (932) 303-00-10
+7 (932) 303-00-10
г. Балашиха, Объездное шоссе, вл4А
Пн-Пт: 9:30-18:30 Cб-Вс: Выходной
Отправить заявку


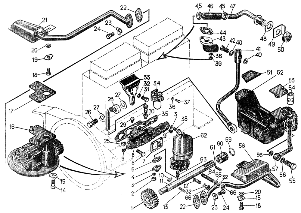
Система смазки 51-09-2СП на Т-130


/
с НДС 20%
Описание
Система смазки 51-09-2СП на Т-130
# Номер запчасти Наименование детали Кол-во в сборке
51-09-132СП Валик привода насоса 1
1 51-09-53 Шестерня 1
2 700-30-2099 Гайка 4
3 Шайба 10ОТ 65Г 09 12
4 16-09-139 Фланец 2
5 700-40-4892 Прокладка 2
6 Болт М10×55.58.019 5
7 700-40-4746 Прокладка 1
8 16-09-135 Плита маслораспределительная 1
9 375 Пробка 2
10 700-34-2040 Шпонка 1
11 51-09-105 Валик 1
12 700-29-2353 Шпилька 1
13 32268 Штифт 1
14 Болт М10×30.58.019 4
15 3137 Шайба 5
16 29-09-124СП Насос масляный 1
17 700-40-7194 Прокладка 1
18 Болт М10×25.58.019 2
19 3198 Шайба стопорная 1
20 31308 Шайба 2
21 51-09-162СП Маслоприёмник 1
22 40751 Прокладка 2
23 31366 Шайба 4
24 Болт М8×20.58.019 2
25 379 Пробка 1
26 Болт Д18-051 2
27 Прокладка СМД-1539А 4
28 51-09-167СП Трубка 1
29 700-41-3164 Штуцер 1
30 700-41-3008 Штуцер 1
31 Болт М12×35.58.019 3
32 Шайба 12ОТ 65Г 09 7
33 51-09-124 Кронштейн 1
34 Фильтр 17К-28С9АУ 1
35 700-40-6944 Прокладка 1
36 Шайба 8Т 65Г 09 4
37 Болт М8×25.58.019 4
38 Болт М10×45.58.019 3
39 Гайка М8.6.019 2
40 Кольцо 14×20 2
41 51-09-166СП Труба 1
42 700-41-2917 Штуцер 1
43 51-09-129СП Труба 1
44 700-40-5650 Прокладка 1
45 Хомут 26 2
46 46849 Рукав 1
47 51-09-130СП Труба 1
48 40910 Кольцо 1
49 3173 Пластина 1
50 3069 Гайка 1
51 29-09-108 Прокладка 3
52 51-66-1СП Уравновешивающий механизм 1
53 29-09-109 Прокладка 3
54 700-41-2939 Тройник 1
55 411143 Штуцер 1
56 Кольцо 16×20 2
57 29-09-122СП Трубка 1
58 51-09-149СП Маслоприёмник 1
59 700-58-2368 Кольцо 2
60 51-09-50 Муфта 1
61 700-32-2105 Штифт 2
62 95.000 Центрифуга масляная 1
63 700-29-2146 Шпилька 4
64 700-29-2233 Шпилька 3
65 3135 Шайба 4
66 3010 Гайка 4
Система смазки 51-09-2СП