Запасные части ЧТЗ Запасные части ЧТЗ
Балашиха
Например:
Актобе
Алдан
или
Выбрать автоматически
Актобе
Алдан
Алматы
Алчевск
Архангельск
Астана
Астрахань
Атырау
Баку
Балашиха
Барнаул
Белгород
Бердянск
Бишкек
Владивосток
Владикавказ
Воркута
Воронеж
Горловка
Грозный
Донецк
Екатеринбург
Иваново
Ижевск
Иркутск
Казань
Калининград
Каменск-Уральский
Караганда
Каховка
Кемерово
Киров
Комсомольск-на-Амуре
Костанай
Краснодар
Красноярск
Красный луч
Ленск
Луганск
Магадан
Магнитогорск
Макеевка
Махачкала
Мелитополь
Минск
Мирный (Якутия)
Москва
Мурманск
Нерюнгри
Нижневартовск
Нижний Новгород
Нижний Тагил
Новая каховка
Новокузнецк
Новосибирск
Новый Уренгой
Норильск
Ноябрьск
Нур-Султан
Омск
Оренбург
Ош
Павлодар
Пермь
Петрозаводск
Петропавловск
Петропавловск-Камчатский
Псков
Ростов-на-Дону
Салехард
Самара
Санкт-Петербург
Саратов
Севастополь
Семей
Симферополь
Сочи
Ставрополь
Сургут
Сыктывкар
Тараз
Ташкент
Токмак
Томск
Тында
Тюмень
Ульяновск
Усинск
Усть-Каменогорск
Уфа
Хабаровск
Ханты-Мансийск
Херсон
Челябинск
Чита
Шымкент
Экибастуз
Энергодар
Южно-Сахалинск
Якутск
Ваш город
Балашиха
Войти
Запасные части к тракторам на одном сайте
+7 (932) 303-00-10
+7 (932) 303-00-10
г. Балашиха, Объездное шоссе, вл4А
Пн-Пт: 9:30-18:30 Cб-Вс: Выходной
Отправить заявку


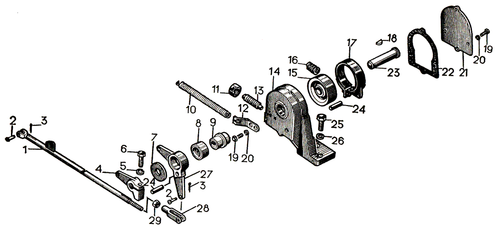
Установка акселератора на Т-130


/
с НДС 20%
Описание
Установка акселератора 16-74-100СП, акселератор 16-74-150СП на Т-130
# Номер запчасти Наименование детали Кол-во в сборке
16-74-150СП Акселератор 1
16-74-151СП Корпус 1
16-74-153СП Тяга регулятора 1
51-74-125СП Рычаг 1
1 16-74-154СП Тяга 1
2 06465 Валик с головкой 2
3 Шплинт 2×25 2
4 16-74-61 Рычаг 1
5 Шайба 8Т 65Г 09 1
6 2848 Болт М8×30 1
7 31342 Шайба 1
8 24-15-34 Втулка 1
9 16-74-62 Втулка 1
10 700-38-2585 Пружина 1
11 Гайка М20×1,5.6.019 1
12 16-74-64 Кронштейн 1
13 700-35-2133 Винт 1
14 16-74-57 Корпус 1
15 16-74-58 Барабан 1
16 700-38-2578 Пружина 1
17 24-74-104СП Лента тормозная 1
18 34126 Шпонка 2
19 Болт М6×14.58.019 4
20 Шайба 6Т 65Г 09 4
21 16-74-60 Крышка 1
22 700 40-5221 Прокладка 1
23 16-74-59 Ось 1
24 700-32-2043 Штифт 1
25 2816 Болт Ml2×30 2
26 Шайба 12ОТ 65Г 09 2
27 51-74-35 Рычаг 1
28 06616 Вилка 1
29 Гайка М8.6.019 1
Установка акселератора