Запасные части ЧТЗ Запасные части ЧТЗ
Балашиха
Например:
Актобе
Алдан
или
Выбрать автоматически
Актобе
Алдан
Алматы
Алчевск
Архангельск
Астана
Астрахань
Атырау
Баку
Балашиха
Барнаул
Белгород
Бердянск
Бишкек
Владивосток
Владикавказ
Воркута
Воронеж
Горловка
Грозный
Донецк
Екатеринбург
Иваново
Ижевск
Иркутск
Казань
Калининград
Каменск-Уральский
Караганда
Каховка
Кемерово
Киров
Комсомольск-на-Амуре
Костанай
Краснодар
Красноярск
Красный луч
Ленск
Луганск
Магадан
Магнитогорск
Макеевка
Махачкала
Мелитополь
Минск
Мирный (Якутия)
Москва
Мурманск
Нерюнгри
Нижневартовск
Нижний Новгород
Нижний Тагил
Новая каховка
Новокузнецк
Новосибирск
Новый Уренгой
Норильск
Ноябрьск
Нур-Султан
Омск
Оренбург
Ош
Павлодар
Пермь
Петрозаводск
Петропавловск
Петропавловск-Камчатский
Псков
Ростов-на-Дону
Салехард
Самара
Санкт-Петербург
Саратов
Севастополь
Семей
Симферополь
Сочи
Ставрополь
Сургут
Сыктывкар
Тараз
Ташкент
Токмак
Томск
Тында
Тюмень
Ульяновск
Усинск
Усть-Каменогорск
Уфа
Хабаровск
Ханты-Мансийск
Херсон
Челябинск
Чита
Шымкент
Экибастуз
Энергодар
Южно-Сахалинск
Якутск
Ваш город
Балашиха
Войти
Запасные части к тракторам на одном сайте
+7 (932) 303-00-10
+7 (932) 303-00-10
г. Балашиха, Объездное шоссе, вл4А
Пн-Пт: 9:30-18:30 Cб-Вс: Выходной
Отправить заявку


Установка направляющих колес на ДЭТ-320


/
с НДС 20%
Описание
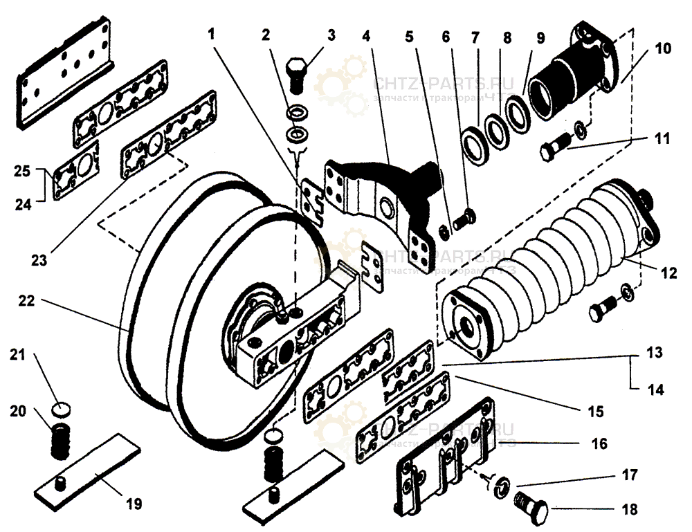
Установка направляющих колес ДЭТ-320
Поз. Обозначение Наименование Кол.
- 748-31-10СП Установка направляющих колес
1 748-31-138 Прокладка 12
2 - Шайба 20.01.019 16
3 700-28-2292 Болт 8
4 748-31-150СП Коромысло 2
5 - Шайба 24T 65Γ 09 28
6 700-28-199 Болт 20
7 748-31-83 Обойма сальника 2
8 748-31-84 Кольцо 2
9 748-31-85 Кольцо 2
10 748-31-151-01СП Механизм натяжения 2
11 700-28-376 Болт 8
12 748-31-152-01СП Звено сдающее 2
13 748-31-152 Прокладка 10
14 748-31-152-01 Прокладка 10
15 748-31-11 Прокладка 10
.16 748-31-12 Захват 4
17 - Шайба 20 ОТ 65Γ 09 32
18 700-28-2293 Болт 32
19 748-31-137СП Планка 4
20 700-38-443 Пружина 8
21 748-31-34 Шайба 8
22 748-31-191СП Колесо направляющее 2
23 748-31-10 Прокладка 10
24 748-31-153 Прокладка 10
25 748-31-153-01 Прокладка 10
Установка направляющих колес