Запасные части ЧТЗ Запасные части ЧТЗ
Балашиха
Например:
Актобе
Алдан
или
Выбрать автоматически
Актобе
Алдан
Алматы
Алчевск
Архангельск
Астана
Астрахань
Атырау
Баку
Балашиха
Барнаул
Белгород
Бердянск
Бишкек
Владивосток
Владикавказ
Воркута
Воронеж
Горловка
Грозный
Донецк
Екатеринбург
Иваново
Ижевск
Иркутск
Казань
Калининград
Каменск-Уральский
Караганда
Каховка
Кемерово
Киров
Комсомольск-на-Амуре
Костанай
Краснодар
Красноярск
Красный луч
Ленск
Луганск
Магадан
Магнитогорск
Макеевка
Махачкала
Мелитополь
Минск
Мирный (Якутия)
Москва
Мурманск
Нерюнгри
Нижневартовск
Нижний Новгород
Нижний Тагил
Новая каховка
Новокузнецк
Новосибирск
Новый Уренгой
Норильск
Ноябрьск
Нур-Султан
Омск
Оренбург
Ош
Павлодар
Пермь
Петрозаводск
Петропавловск
Петропавловск-Камчатский
Псков
Ростов-на-Дону
Салехард
Самара
Санкт-Петербург
Саратов
Севастополь
Семей
Симферополь
Сочи
Ставрополь
Сургут
Сыктывкар
Тараз
Ташкент
Токмак
Томск
Тында
Тюмень
Ульяновск
Усинск
Усть-Каменогорск
Уфа
Хабаровск
Ханты-Мансийск
Херсон
Челябинск
Чита
Шымкент
Экибастуз
Энергодар
Южно-Сахалинск
Якутск
Ваш город
Балашиха
Войти
Запасные части к тракторам на одном сайте
+7 (932) 303-00-10
+7 (932) 303-00-10
г. Балашиха, Объездное шоссе, вл4А
Пн-Пт: 9:30-18:30 Cб-Вс: Выходной
Отправить заявку


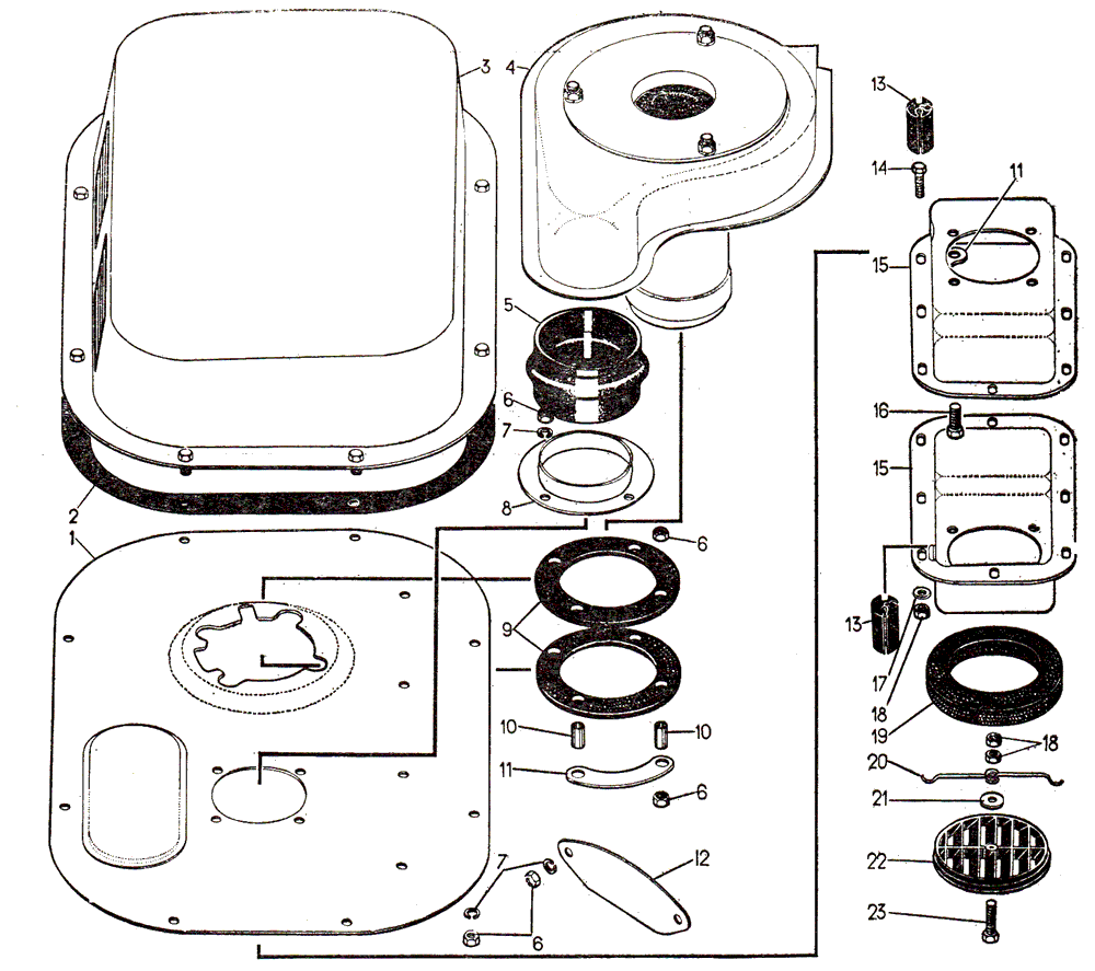
Установка вентилятора кабины на Т-130


/
с НДС 20%
Описание
Установка вентилятора кабины 50-47-4СП на Т-130
# Номер запчасти Наименование детали Кол-во в сборке
1 50-47-118СП Плита 1
2 700-40-6520 Прокладка 4
3 50-47-108СП Кожух 1
4 50-57-101СП Вентилятор-пылеотделитель 1
5 700-40-6522 Патрубок 1
6 Гайка М8.6.019 22
7 Шайба 8Т 65Г 09 14
8 60-47-7 Фланец 1
9 700-40-6125 Прокладка 2
10 18-26-538 Втулка 4
11 60-47-16 Планка 4
12 24-74-237 Заглушка 1
13 700-40-7081 Уплотнение 2
14 Болт М6×20.58.019 8
15 60-47-8 Кожух 2
16 Болт М8×20.58.019 4
17 Шайба 6.02.019 16
18 Гайка М6.6.019 10
19 700-40-6523 Уплотнение 1
20 50-47-45 Зажим 1
21 31453 Шайба 1
22 50-47-44 Воздухораспределитель 1
23 Болт М6×25.58.019 1
Установка вентилятора кабины