Запасные части ЧТЗ Запасные части ЧТЗ
Балашиха
Например:
Актобе
Алдан
или
Выбрать автоматически
Актобе
Алдан
Алматы
Алчевск
Архангельск
Астана
Астрахань
Атырау
Баку
Балашиха
Барнаул
Белгород
Бердянск
Бишкек
Владивосток
Владикавказ
Воркута
Воронеж
Горловка
Грозный
Донецк
Екатеринбург
Иваново
Ижевск
Иркутск
Казань
Калининград
Каменск-Уральский
Караганда
Каховка
Кемерово
Киров
Комсомольск-на-Амуре
Костанай
Краснодар
Красноярск
Красный луч
Ленск
Луганск
Магадан
Магнитогорск
Макеевка
Махачкала
Мелитополь
Минск
Мирный (Якутия)
Москва
Мурманск
Нерюнгри
Нижневартовск
Нижний Новгород
Нижний Тагил
Новая каховка
Новокузнецк
Новосибирск
Новый Уренгой
Норильск
Ноябрьск
Нур-Султан
Омск
Оренбург
Ош
Павлодар
Пермь
Петрозаводск
Петропавловск
Петропавловск-Камчатский
Псков
Ростов-на-Дону
Салехард
Самара
Санкт-Петербург
Саратов
Севастополь
Семей
Симферополь
Сочи
Ставрополь
Сургут
Сыктывкар
Тараз
Ташкент
Токмак
Томск
Тында
Тюмень
Ульяновск
Усинск
Усть-Каменогорск
Уфа
Хабаровск
Ханты-Мансийск
Херсон
Челябинск
Чита
Шымкент
Экибастуз
Энергодар
Южно-Сахалинск
Якутск
Ваш город
Балашиха
Войти
Запасные части к тракторам на одном сайте
+7 (932) 303-00-10
+7 (932) 303-00-10
г. Балашиха, Объездное шоссе, вл4А
Пн-Пт: 9:30-18:30 Cб-Вс: Выходной
Отправить заявку


Гидрооборудование рыхлителя ДЭТ-250М2Б


/
с НДС 20%
Описание
Гидрооборудование рыхлителя ДЭТ-250М2Б
Поз. Обозначение Наименование Кол-во
748-72-1СП Гидрооборудование рыхлителя
1 749-72-253-01СП Гидроцилиндр (правый) 1
2 749-72-189СП Гидроцилиндр 1
3 748-72-121СП Труба 1
4 748-72-120СП Труба 1
5 748-72-122СП Труба 1
6 749-72-386 Втулка 4
7 749-72-385 Скоба 4
8 Болт М16-6g×40.58.019 2
9 Гайка М16-7Н.6.019 2
10 Шайба 16 ОТ 65Г 09 2
11 748-72-276 Кронштейн 1
12 748-72-277 Прокладка 1
13 Болт М12-6g×55.58.019 1
14 Шайба 12 ОТ 65Г 09 2
15 748-72-278 Хомут 1
16 Болт М12-6g×30.58.019 1
17 Гайка М12-7Н.6.019 3
18 749-72-324 Втулка 6
19 749-72-323 Хомут 6
20 700-54-228 Хомут 2
21 Болт М10-6g×35.58.019 1
22 Гайка М10-7Н.6.019 2
23 Шайба 10 ОТ 65Г 09 2
24 700-54-242 Хомут 2
25 50-26-484-06СП;
50-26-484-07СП 1;
50-26-484-08СП 2
Рукав 12 6
26 749-72-211СП Переходник 1
27 749-72-253СП Гидроцилиндр (левый) 1
28 700-57-390 Штуцер 2
29 50-26-487-04СП;
50-26-487-05СП 1;
50-26-487-06СП 2
Рукав 25 4
1 Для тропиков.
2 Для условий ХЛ.

Гидроцилиндр рыхлителя ДЭТ-250М2Б


Гидроцилиндр рыхлителя ДЭТ-250М2Б
Поз. Обозначение Наименование Кол-во
749-72-189СП Гидроцилиндр
1 749-72-287 Поршень 1
2 Кольцо 030-035-30-2-2 1
3 Кольцо 070-080-58-2-2 3
4 749-72-190СП Гильза 1
5 Гайка М30×2-7Н.05.019 2
6 Шплинт 6.3×63.019 2
7 Винт М6-8g×8.45Н.019 2
8 749-72-289 Крышка 1
9 749-72-290 Гайка 1
10 749-72-288 Шток 1
11 700-39-523 Кольцо 1
12 700-31-1118 Шайба 1
13 749-98-84 Штифт 1
14 749-98-321 Палец 1
15 749-72-291 Чистик 8
16 749-72-291-01 Чистик 4
17 Кольцо 040-048-46-2-2 2

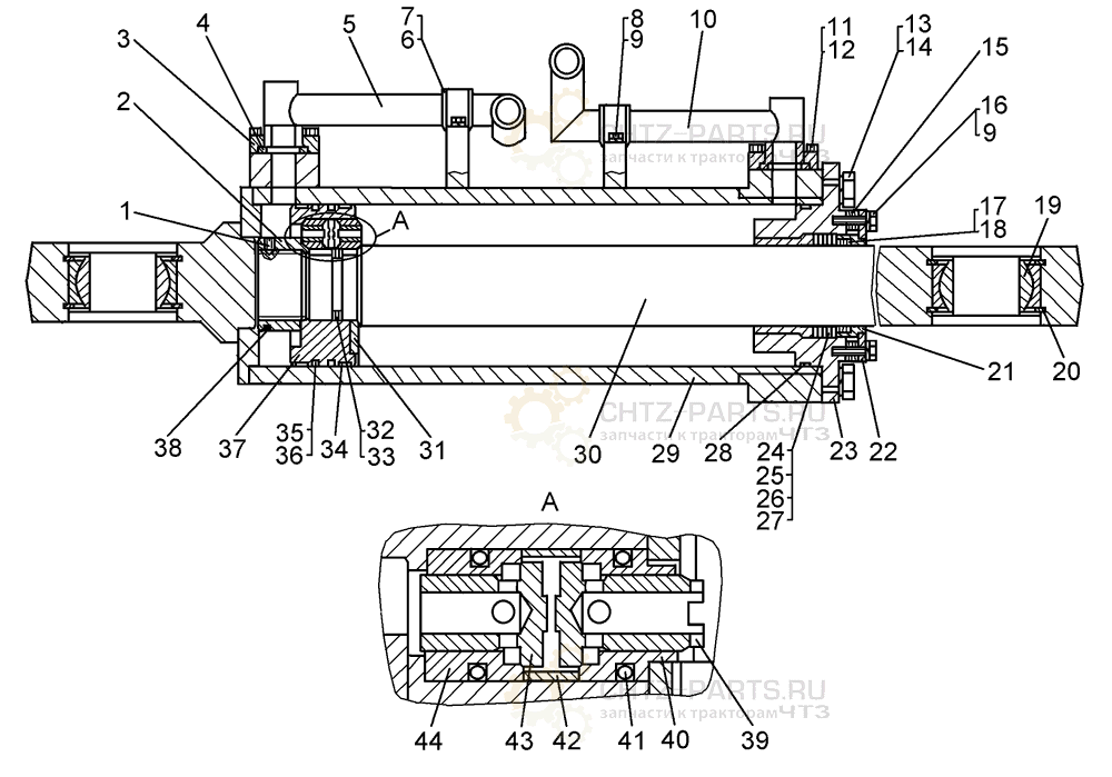
Гидроцилиндр рыхлителя ДЭТ-250М2Б


Гидроцилиндр рыхлителя ДЭТ-250М2Б
Поз. Обозначение Наименование Кол-во
749-72-253СП;
749-72-253-01СП
Гидроцилиндр
1 749-72-268 Винт 1
2 749-72-267 Гайка 1
3 749-72-368 Полуфланец 4
4 Кольцо 040-048-46-2-2 2
5 749-72-239СП 1;
749-72-238СП 2
Маслопровод 1
6 749-72-367 Втулка 2
7 749-72-366 Хомут 2
8 Болт М12-6g×20.46.019 4
9 Шайба 12 ОТ 65Г 09 16
10 749-72-249СП 1;
749-72-250СП 2
Маслопровод 1
11 Болт М14-6g×45.58.019 8
12 Шайба 14 ОТ 65Г 09 8
13 Болт М24-8g×65.58.019 12
14 Шайба 24Т 65Г 09 12
15 749-72-261 Шайба регулировочная 78
16 Болт М12-6g×35.58.019 12
17 749-72-259-01 Чистик 8
18 749-72-259 Чистик 16
19 Подшипник ШСЛ-80 2
20 700-58-2084 Кольцо 4
21 749-72-269 Втулка 1
22 749-72-258 Скребок 1
23 749-72-237СП Крышка 1
24 749-72-427 – Кольцо опорное;
Кольцо опорное КО 100×125-2
1
25 Кольцо 190-200-58-2-2 1
26 Манжета М100×125-2 3
27 749-72-428; – Кольцо нажимное;
Кольцо нажимное КН 100×125-2
1
28 749-72-376;
749-72-376-01
Кольцо распорное 1
29 749-72-234СП Корпус 1
30 749-72-257-01 Шток 1
31 749-72-425 Кольцо 1
32 749-72-263;
749-72-263-01
Кольцо распорное 2
33 Кольцо 079-085-36-2-2 1
34 749-72-378 – Втулка;
Кольцо Е21-200-20-4
2
35 749-72-377; 749-72-377-01 Кольцо 2
36 Кольцо 180-190-58-2-2 2
37 749-72-424 Поршень 1
38 749-72-264 Кольцо защитное 1
39 749-72-423 Клапан 1
40 749-72-420 Втулка 1
41 Кольцо 024-030-36-2-2 2
42 749-72-421 Втулка 1
43 749-72-422 Клапан 1
44 749-72-419 Втулка 1
1 Для 749-72-253СП.
2 Для 749-72-253-01СП
Гидрооборудование РО